MOTORES ZENOAH

Dimensiones G-50

 

A1 muffler.gif (38642 bytes)

spec_g50f.gif (39207 bytes)

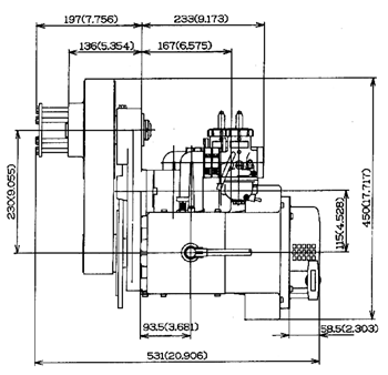
Front View
(not to scale)

spec_g25s.gif (26537 bytes)

Side View
(not to scale)

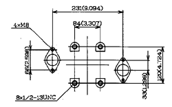
spec_g25_co.gif (9811 bytes)
Mounting Hole Detail
(not to scale)

B2 muffler.gif (34867 bytes)