MOTORES ZENOAH

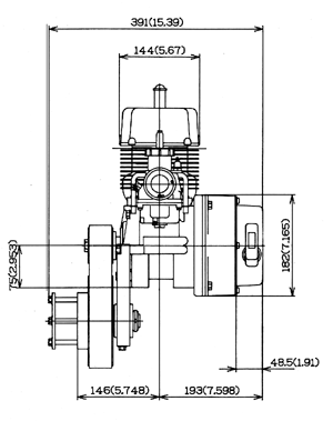
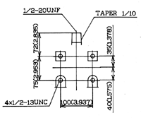
Dimensiones G-25

 

spec_g25f.gif (32411 bytes)

spec_g25s.gif (26537 bytes)

spec_g25_co.gif (9811 bytes)