Manuales e información de motores para aviones ligeros, ultraligeros, avionetas, autogiros, helicópteros. Para una información exacta sobre las características, uso, mantenimiento o instalación, deberías consultar con el fabricante o distribuidor. Muchos de los archivos están en formato .pdf. Si no dispones de este programa, lo puedes descargar aquí. Aviación deportiva , mantenimiento de aviones.Engines handbook and information for ultralight, planes, aircrafts, autogyros. For exact information on the characteristics and specifications, use, maintenance or installation, you should consult with your dealer or distributor. Some files are in .pdf format. If you don't have this program, you can download it here.

MOTOR JABIRU 2200 80 Hp.

 

Descripción

Tamaño

Acción

2200 Manual de usuario

 667 Kb.

Descargar

2200 Especificaciones

 149 Kb.

Descargar

2200 Manual de instalación

 565 Kb.

Descargar

2200 Mantenimiento

1.86 Kb.

Descargar

2200 Curva de potencia

    8 Kb.

Ver

2200 Dimensiones

   20 Kb.

Ver

MOTOR JABIRU 3300 120 Hp.

 

Descripción

Tamaño

Acción

3300 Manual de usuario

 625 Kb.

Descargar

3300 Especificaciones

 162 Kb.

Descargar

3300 Manual de instalación

 565 Kb.

Descargar

3300 Mantenimiento

1,86 Mb.

Descargar

3300 Curva de potencia

    5 Kb.

Ver

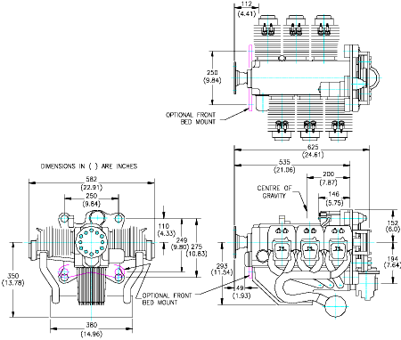
3300 Dimensiones

  17 Kb.

Ver

MOTOR JABIRU 5100 180 Hp.

 

Descripción

Tamaño

Acción

Caracterist. y Dimensiones

 179 Kb.

Descargar